Перейти к публикации

Проблема с Fisher F2


Manitu

Рекомендованные сообщения

Здравствуйте, не так давно купил прибор с рук и столкнулся с проблемой (прибор Fisher f2). Прибор периодически сходит с ума (постоянно пищит), даже если поднять в воздух . Весь интернет перерыл и нашёл несколько способов решения проблемы, но какой из них подойдет мне? Сразу скажу, что провод плотно прилегает к штанге, батарейки новые, штекер плотно входит в разъём блока. Вот информация которую мне удалось собрать:
1) Проблема может заключаться в длительном нахождении прибора на морозе (ниже 0 градусов), так как при пайке микросхемы используется олово, которое не выдерживает низких температур и попросту крошится.
 Решением данной проблемы является перепайка микросхемы.

--Лично я не держал прибор в таких условиях, НО как я уже говорил, прибор б/у. Поэтому этот вариант не исключаю.--

2) Проблема может заключается в некачественных батарейках или как вариант батарейка могла протечь и залить плату.
 Решением является замена батареек.

--Этот вариант я исключаю, так как пользуюсь аккумуляторами на 9v.--

3) Проблема может заключается в проводе, то есть он должен плотно прилегать к штанге.
 Для решения проблемы нужно закрепить провод например жгутиками в нескольких местах.

--Этот вариант я исключаю, я уже говорил что в моем случае все надёжно закреплено.--

4) Проблема может заключается в попадании влаги и накопления конденсата, вследствие разгерметизации катушки.
 Для решения проблемы нужно высушить катушку например на батареи или заменить.

--Я уже успел походить с этим прибором по пляжу и этот вариант возможен.--

5) Проблема может заключается в повреждении провода, чаще всего в месте крепления катушки к штанге.
 Полностью решить проблему можно заменив провод, но можно попробовать заизолировать и защитить от перегиба и попадания грязи.

--Я предполагаю что в этом заключается моя проблема, когда приобрёл МД в одном месте (где крепится катушка) был оголен провод и я, поверя в себя, решил его заизолировать. Сначала обезжирил, потом взял густой герметик и обмазал им этот участок, затем обмотал фум-лентой и изолентой.--

Ребят, если кто знает или сталкивался, помогите. Уже не знаю что и думать.

0-02-05-c214aad95ac5cbd1f7ee517e3c79c967681a6189a4400e2834831637772a0a02_6c2e9d7.jpg

Ссылка на комментарий
https://mdrussia.ru/topic/73324-problema-s-fisher-f2/
Поделиться на других сайтах

Тема Проблема с Fisher F2 создана на форуме Fisher.

Скорее всего повреждение.

Ссылка на комментарий
https://mdrussia.ru/topic/73324-problema-s-fisher-f2/#findComment-970344
Поделиться на других сайтах

Приветствую! Для начала можно попробовать определить какого рода дефект вызывает проблему. Механическое воздействие на аппарат или "само по себе" без воздействия внешних факторов (температура, заряд батареи, время во включенном состоянии и т.п.). Попробуйте для начала слегка постучать по катухе, пошевелить провод и штекер. Возможно дело в плохом контакте, тогда мех.воздействие будет влиять на проявление неисправности. Возможно что там, где был "оголен" провод попала влага и металл проводника начал окислятся и гнить. Не понятно сколько с треснутым кабелем ходил бывший хозяин мд. Здесь есть люди хорошо разбирающиеся в проблемах МД, возможно они подскажут более детально.

Ссылка на комментарий
https://mdrussia.ru/topic/73324-problema-s-fisher-f2/#findComment-970345
Поделиться на других сайтах

Участок перегиба. 

0-02-05-7bd282e4ccccb2c53f6e90dd1c1d2ebf5b71fd1d9564eb75f47d5d0298312de0_94a7e384.jpg

0-02-05-f4d8388080c91de43267462147d849859ee378959b003f88d3ff844fa8c98c23_fa785b66.jpg

Ссылка на комментарий
https://mdrussia.ru/topic/73324-problema-s-fisher-f2/#findComment-970379
Поделиться на других сайтах

@Manitu хананамити поди... на ф2 с рук можно и за рубль наити датчик родной.

Ссылка на комментарий
https://mdrussia.ru/topic/73324-problema-s-fisher-f2/#findComment-970397
Поделиться на других сайтах

@Leha Shustov  А вы случайно не знаете как определить место поломки (Катушка с проводом или блок)? Я где-то читал что если отсоединить катушку и включить блок он не будет показывать сигналы (если нет поломок), это так?

Ссылка на комментарий
https://mdrussia.ru/topic/73324-problema-s-fisher-f2/#findComment-970433
Поделиться на других сайтах

@Manitu я не спец... но без датчика должен молчать думаю, как немой

Ссылка на комментарий
https://mdrussia.ru/topic/73324-problema-s-fisher-f2/#findComment-970439
Поделиться на других сайтах

Только что, Manitu сказал:

@Leha Shustov  А вы случайно не знаете как определить место поломки (Катушка с проводом или блок)? Я где-то читал что если отсоединить катушку и включить блок он не будет показывать сигналы (если нет поломок), это так?

 

Сходить в ближайший магазин (под предлогом покупки новой катушки) и подключить заведомо исправную катушку. Посмотреть на поведение прибора.

 

 

Ссылка на комментарий
https://mdrussia.ru/topic/73324-problema-s-fisher-f2/#findComment-970442
Поделиться на других сайтах

@mehannik Этот глюк не появляется сразу, он может появиться после 10 минут работы и больше, плюс в магазине проверить будет трудно, так как в помещениях много металлов...

Ссылка на комментарий
https://mdrussia.ru/topic/73324-problema-s-fisher-f2/#findComment-970454
Поделиться на других сайтах

Только что, Manitu сказал:

@mehannik Этот глюк не появляется сразу, он может появиться после 10 минут работы и больше, плюс в магазине проверить будет трудно, так как в помещениях много металлов...

 

Тогда ищите у себя человека с Фишером. Проверять всё равно придётся заменой катушки. 

  • Нравится 1
Ссылка на комментарий
https://mdrussia.ru/topic/73324-problema-s-fisher-f2/#findComment-970455
Поделиться на других сайтах

В 22.04.2018 в 22:45, Manitu сказал:

@Leha Shustov  А вы случайно не знаете как определить место поломки (Катушка с проводом или блок)? Я где-то читал что если отсоединить катушку и включить блок он не будет показывать сигналы (если нет поломок), это так?

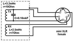
Так вы попробуйте отсоединить катушку. Но скорее всего причина в проводе катушки, визуально возможно провода целые, а по изоляцией повреждение.

Нужно измерить сопротивление на катушке, вот распиновка штекера (штатка):

 

3fa551549de8.jpg

  • Нравится 2
Ссылка на комментарий
https://mdrussia.ru/topic/73324-problema-s-fisher-f2/#findComment-971713
Поделиться на других сайтах

Еще можно протереть контакты спиртом. Возможно блок отсырел, я разбирал блок, протирал плату спиртом и на будущее положил в блок несколько пакетов с силикагелем (места там полно). 

Ссылка на комментарий
https://mdrussia.ru/topic/73324-problema-s-fisher-f2/#findComment-971717
Поделиться на других сайтах

На телефон так может реагировать. У меня например так, на смартфон реагирует, когда тот начинает что то там передавать сам по себе или сеть искать, если навигатор забываю выключить, тоже временами пиликать начинает, но в основном молчит конечно и при включенном телефоне. А так то выключаю телефон.

Ссылка на комментарий
https://mdrussia.ru/topic/73324-problema-s-fisher-f2/#findComment-971734
Поделиться на других сайтах

Как я понял вы пользуетесь аккумуляторами, попробуйте купить комплект хороших алкалиновых батарей возможно и в этом быть проблема. Аккумулятор может и не выдавать нужное напряжение. Ещё немного не по теме, но для интереса я вынимал одну из батарей (какую не помню, левую или правую) прибор работал на одной.

Удачи

PS

Но скорее всего причина - вход кабеля.

Ссылка на комментарий
https://mdrussia.ru/topic/73324-problema-s-fisher-f2/#findComment-971743
Поделиться на других сайтах

пару раз так с фишаками влипал. у них подстроечные резисторы сделаны из какого гуана.  что надо делать? если не катуха ,то подстроечник окислился. аккуратно нужно снять переднюю панель. проблема только сделать это аккуратно. это не сложно,просто надо ,чтоб медленно  и дети,кошки и собутыльники не отвлекали. потом прибор разбираете и каждый подстроечник смачиваете капелькой спирта . засекаете положение и шевелите его отверткой туда-сюда раз десять. потом просушиваете сутки и включаете прибор не собирая. если все ОК,то в три слоя прокрашиваете все цапон лаком. и собираете( просушка обязателна)

Ссылка на комментарий
https://mdrussia.ru/topic/73324-problema-s-fisher-f2/#findComment-971768
Поделиться на других сайтах

Добрый день!
Есть ли разница какой полярностью подключать катушки на F2
Индуктивность катушек должна быть точно такой же как на параметрах выше?

моя катушка одна 2.8mH и 6.7om, вторая 9.7Ом и 0mН.

Это может причиной не стабильных замеров?

Ссылка на комментарий
https://mdrussia.ru/topic/73324-problema-s-fisher-f2/#findComment-1676048
Поделиться на других сайтах

22.04.2018 в 14:41, Manitu сказал:

Здравствуйте, не так давно купил прибор с рук и столкнулся с проблемой (прибор Fisher f2). Прибор периодически сходит с ума (постоянно пищит), даже если поднять в воздух . Весь интернет перерыл и нашёл несколько способов решения проблемы, но какой из них подойдет мне? Сразу скажу, что провод плотно прилегает к штанге, батарейки новые, штекер плотно входит в разъём блока. Вот информация которую мне удалось собрать:
1) Проблема может заключаться в длительном нахождении прибора на морозе (ниже 0 градусов), так как при пайке микросхемы используется олово, которое не выдерживает низких температур и попросту крошится.
 Решением данной проблемы является перепайка микросхемы.

--Лично я не держал прибор в таких условиях, НО как я уже говорил, прибор б/у. Поэтому этот вариант не исключаю.--

2) Проблема может заключается в некачественных батарейках или как вариант батарейка могла протечь и залить плату.
 Решением является замена батареек.

--Этот вариант я исключаю, так как пользуюсь аккумуляторами на 9v.--

3) Проблема может заключается в проводе, то есть он должен плотно прилегать к штанге.
 Для решения проблемы нужно закрепить провод например жгутиками в нескольких местах.

--Этот вариант я исключаю, я уже говорил что в моем случае все надёжно закреплено.--

4) Проблема может заключается в попадании влаги и накопления конденсата, вследствие разгерметизации катушки.
 Для решения проблемы нужно высушить катушку например на батареи или заменить.

--Я уже успел походить с этим прибором по пляжу и этот вариант возможен.--

5) Проблема может заключается в повреждении провода, чаще всего в месте крепления катушки к штанге.
 Полностью решить проблему можно заменив провод, но можно попробовать заизолировать и защитить от перегиба и попадания грязи.

--Я предполагаю что в этом заключается моя проблема, когда приобрёл МД в одном месте (где крепится катушка) был оголен провод и я, поверя в себя, решил его заизолировать. Сначала обезжирил, потом взял густой герметик и обмазал им этот участок, затем обмотал фум-лентой и изолентой.--

Ребят, если кто знает или сталкивался, помогите. Уже не знаю что и думать.

0-02-05-c214aad95ac5cbd1f7ee517e3c79c967681a6189a4400e2834831637772a0a02_6c2e9d7.jpg

У меня тоже есть fs-2.И с ним та же самая проблема!Я думаю кабель и вся прочая хрень сдесь не причем!Это чисто конкретная проблема сборки данного мд.Все просто!Вот и ответ Остается только самому его "допиливать*"!

Ссылка на комментарий
https://mdrussia.ru/topic/73324-problema-s-fisher-f2/#findComment-1718355
Поделиться на других сайтах

Создайте аккаунт или войдите в него для комментирования

Вы должны быть пользователем, чтобы оставить комментарий

Создать аккаунт

Зарегистрируйтесь для получения аккаунта. Это просто!

Зарегистрировать аккаунт

Войти

Уже зарегистрированы? Войдите здесь.

Войти сейчас
×
×
  • Создать...